寒假是温故知新,弯道超车的好时机。当然,也不是所有人都能如愿以偿,但是,希望我们的孩子不会因假期掉队或者开倒车。金优化学搜集整理了《寒假自学课》,旨在帮助娃娃们“夯实基础、促进衔接、提升能力”,通过“提前预习”,达到“顺利过渡”的目的。
来源:数理星河、初中化学那些事儿,谨表谢意。我们尊重原创,如存在文章/图片/音视频使用不当的情况,请随时与我们联系删除!
领取资料
关注后在对话框中回复“26寒假”即可获取完整电子版
领取方式二:
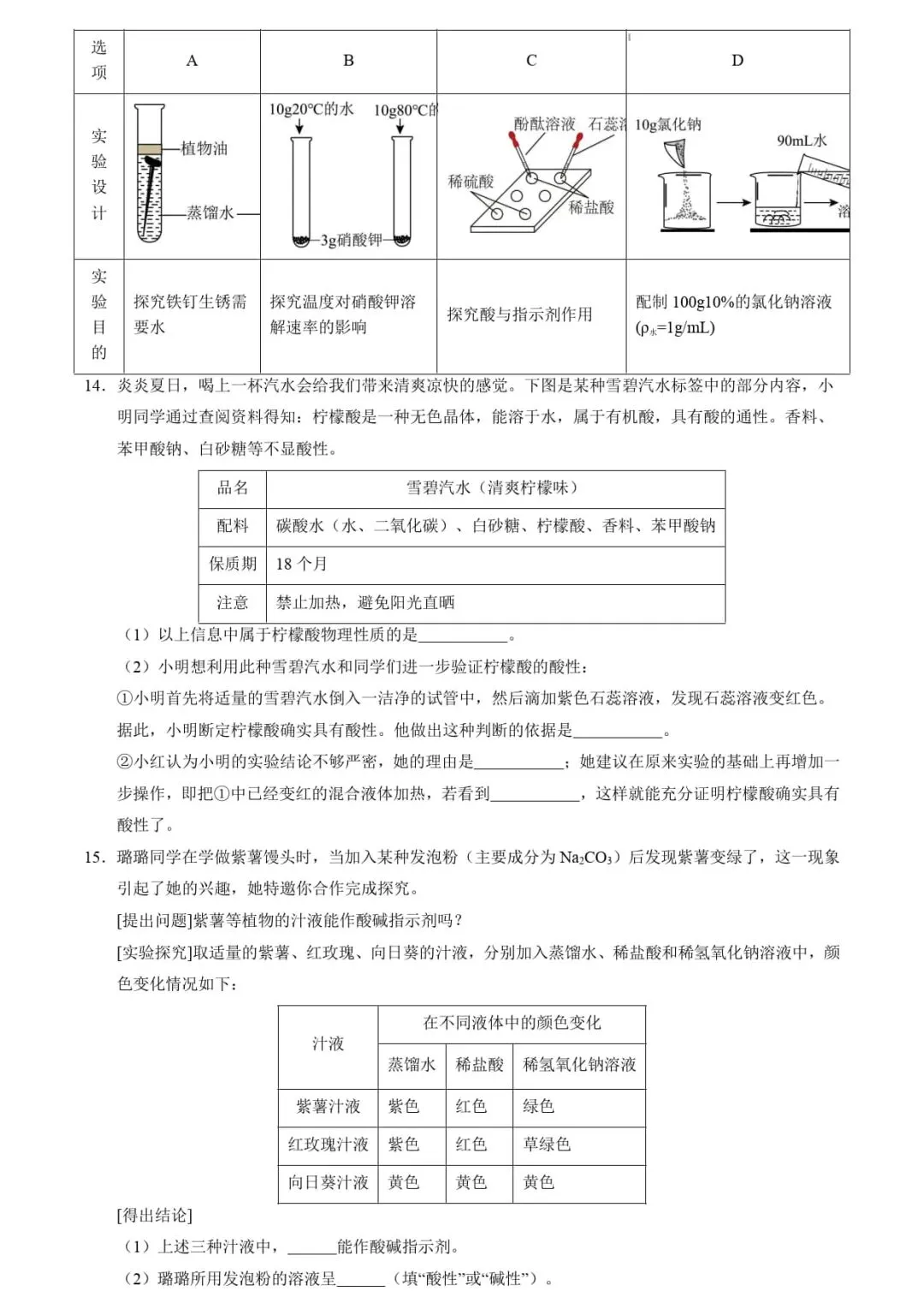
复制下方链接,在夸克网盘app或浏览器打开,即可下载。 或者复制下方链接微信发送给自己,然后点击链接即可下载。链接:https://pan.quark.cn/s/d8941b87355b